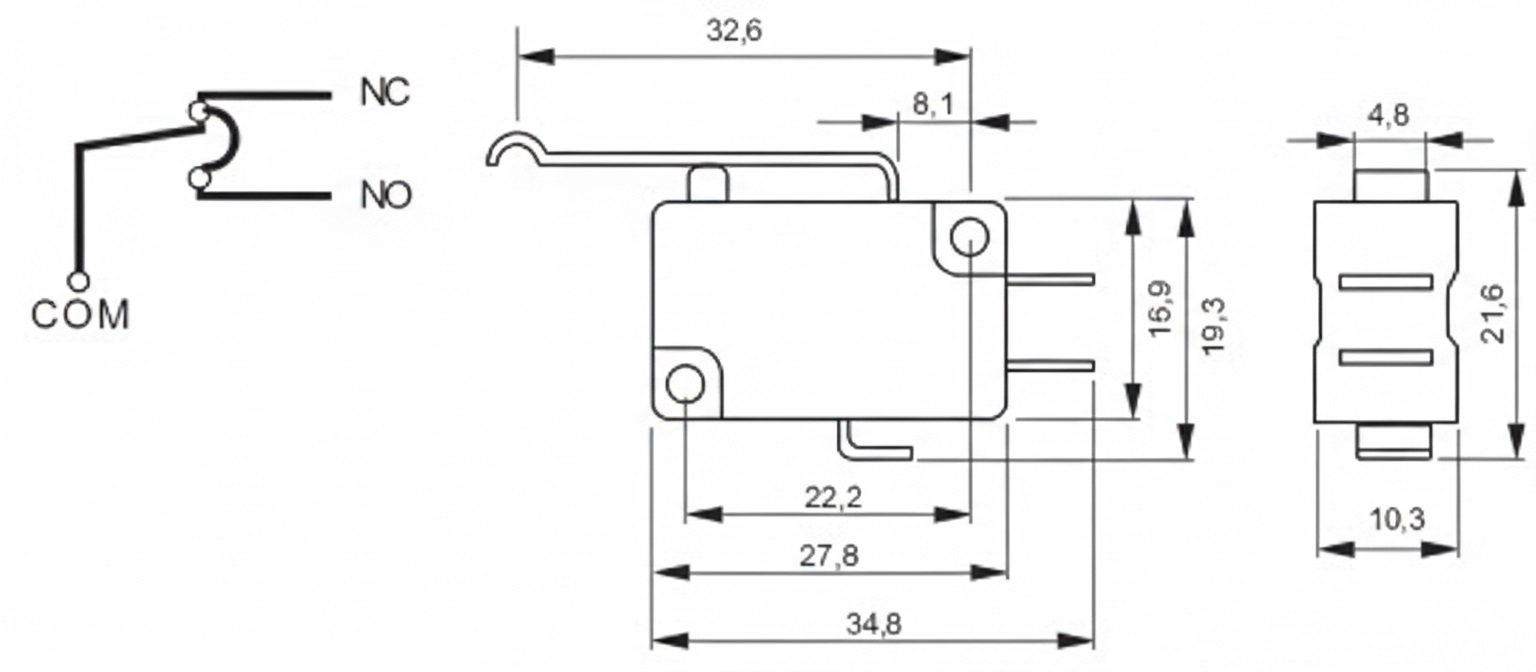
Deviatore miniatura a leva con portata 250Vac e corrente massima 10A, dotato di leva con terminali T.S. (a saldare). Adatto per applicazioni su pannello che richiedono elevata affidabilitร e gestione di correnti maggiori.
|
Descrizione |
DEVIATORE MINIATURA A LEVA |
|---|---|
|
Tipologia |
DEVIATORI MINIATURA |
|
Tipo |
DEVIATORI MINIATURA ON โ ON |
|
Tipologia attacco |
Faston 4,8mm |
|
Portata |
250Vac โ 10A |
|
Resistenza di contatto |
15mO max |
|
Rigiditร elettrica |
1000 VAC โ 1 min. |
|
N operazioni |
600/minuto meccaniche โ 60/minuto elettriche |
|
Materiale del corpo |
Termoplastica |





