produzione di acqua calda facile e veloce
la nuova gamma semiatek condens è la soluzione ottimale nel rapporto prestazione-qualità-prezzo e presenta due modelli combinati per la produzione di acqua calda sanitaria e riscaldamento da 24 e 28 kw a metano, con possibilità di funzionamento a propano, tramite kit di conversione incluso nel packaging.
grazie al nuovo range di modulazione 1:7, la caldaia riduce ulteriormente i consumi di gas rendendola più efficiente rispetto al modello precedente.
nuova semiatek condens è la scelta più flessibile in caso di sostituzione per installazioni interne, esterne e a incasso fino a -15°, grazie al nuovo kit antigelo.
caratteristiche
il nuovo design di semiatek condens propone un’innovativa interfaccia touch screen di estrema semplicità con 6 tasti, display con sfondo nero e 2 digit in bianco ad accensione intermittente. l’indicazione dello stato della caldaia è definita dall’accensione ad intermittenza dell’icona selezionata.
semiatek condens è compatibile con tutti i componenti e gli accessori hermann saunier duval già in commercio.
inoltre è abbinabile alla centralina wifi migo select. la caldaia murale è già pronta per essere gestita a distanza semplicemente con lo smartphone.
semplicità d’installazione
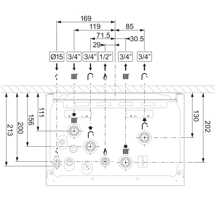
semiatek condens è molto semplice da installare grazie alle dimensioni contenute – 62,6 cm di altezza, 40 cm di larghezza e 27 cm di profondità – e al peso ridotto. anche gli attacchi idraulici verticali sono stati pensati per facilitare e velocizzare l’installazione. per questi motivi rappresenta la soluzione ideale nelle sostituzioni dei vecchi impianti.
semiatek condens presenta classe energetica a in riscaldamento e in sanitario.
ACCESSORI
- SCARICO FUMI PER CALDAIA “SEMIATEK-THEMA” (0010031041)
- BOX COPRICALDAIA 1020x550x450 mm (CCU)




