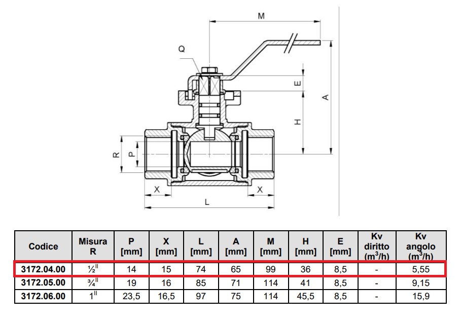
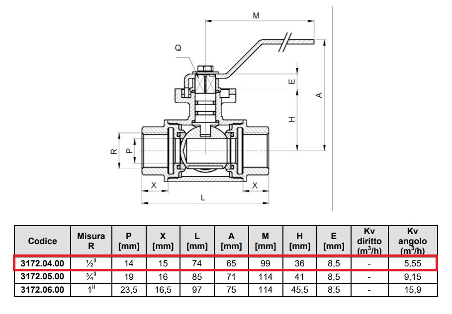
Valvola a sfera a tre vie da 1/2″, azionamento con manovra a L, con maniglia a leva, attacchi FFF. Idonea per acqua, acqua+glicole.
- Corpo in ottone nichelato.
- Sfera in ottone cromata a spessore.
- Tenuta in PTFE.
- Guarnizioni OR in elastomero.
- Attacchi filettati UNI-EN-ISO 228.
- Temperatura dโimpiego con acqua -20 รท + 120 ยฐC (in assenza di vapore)





